Счет по 10
Н. — Можешь ли ты описать мне один из них… Я боюсь, как бы он не оказался ужасно сложным.
Л. — Некоторые из этих схем достаточно сложны. Мы рассмотрим только одну так называемую счетную декаду, представляющую собой электронную схему, которая по получении
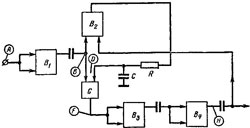
Рис. 117. Блок-схема счетной декады, выпускаемой французской фирмой Rochar. Схема В1 с двумя устойчивыми состояниями является делителем на 2; устройство, состоящее из трех других триггеров, последовательно проходит пять возможных состояний.
десяти импульсов всегда возвращается в первоначальное состояние. По получении десятого импульса она дает в канал, именуемый выходом, импульс, приводящий в действие следующую декаду.
Я покажу тебе устройство декады, разработанной инженерами фирмы Rochar, блок-схема которой изображена на рис. 117. Как ты видишь, в начале схемы стоит первый триггер В1 с двумя устойчивыми состояниями, который я вновь изобразил в виде прямоугольника (на этот раз триггер опять собран по схеме на рис. 82).
Н. — Ты опять нарисовал два входа, но это не нужно, потому что ты всегда соединяешь их вместе.
Л. — Нет, не всегда. Я могу подавать на них разные сигналы, например, сигналы одного типа на конденсатор С3 и другого типа на С4. По этой причине я и рассматриваю триггер как схему с двумя входами. Когда триггер используют в качестве делителя частоты на 2, входы соединяют вместе и одновременно подают на них отрицательные импульсы. Мы назвали нулевым состоянием (или состоянием покоя) положение, когда транзистор Т1 пропускает ток, а транзистор Т2 заперт. Когда триггер возвращается на нуль, резкое снижение потенциала коллектора транзистора Т1 посылает через дифференцирующую схему (из которой я изобразил здесь только конденсатор) отрицательный импульс. Поэтому, как ты видишь, на каждый второй поступивший на вход импульс в точку В приходит отрицательный импульс.
Н. — Да, и я также вижу, что этот импульс затем идет по двум направлениям: во-первых, на триггер В2, куда он странно поступает только на один вход, а, во-вторых, на схему, обозначенную на рисунке буквой G, о которой я ровным счетом ничего не могу сказать.
