Н. — А какой катод К’ «облагодетельствует» ионизация? Ведь ей представляется десять на выбор.
Л. — Нет, имеется только одна возможность: изогнутый кончик вторичного катода К’ уже находится в зоне ионизации основного катода 5, поэтому именно этот вторичный катод ионизация и предпочтет всем другим. Тогда ионизированная зона перейдет на вторичный катод К’, но долго она там не задержится. По окончании отрицательного импульса, приложенного к катодам К’, они вновь обретут свой традиционный потенциал 20 в. Ионизация вновь будет стремиться перейти на один из основных катодов К. В наиболее благоприятных условиях для этого оказывается основной катод с номером 6, так как его изогнутый кончик находится в ионизированной зоне, окружающей вторичный катод К’.
Рис. 119. Газонаполненная счетная лампа типа декатрон. При подаче отрицательного импульса через конденсатор С ионизированная зона перескакивает с одного основного катода на следующий (в изображенном на рисунке случае с 5 на 6), проходя при этом через расположенный между ними вспомогательный катод (К’).
Как ты видишь, при каждом импульсе, посланном на вспомогательные катоды К’, ионизированная зона перескакивает с одного основного катода на следующий. А так как эта зона благодаря излучаемому сю свету хорошо видна, достаточно взглянуть на лампу с переднего торца по направлению оси кольцевого анода, чтобы узнать количество полученных ею импульсов. Снаружи вокруг лампы установлено кольцо, на котором по окружности примерно как на циферблате часов нанесены цифры от 0 до 9.
Н. — Твоя система исключительно разумно сделана; лампа не только считает импульсы, но и наглядно обозначает результат счета. Но я плохо представляю, как заставить лампу после каждого десятка импульсов давать импульс для управления следующей лампой.
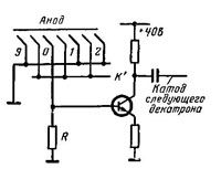
Рис. 120. При получении тока катод «нуль» декатрона отпирает транзистор, который посылает управляющий импульс на следующий декатрон.
Л. — Для этого достаточно с одного из основных катодов К сделать отдельный выход. Этот выход соединяется с корпусом через небольшой резистор R (рис. 120), на выводах которого появляется небольшое положительное напряжение, когда разряд поступает на выведенный катод. Это положительное напряжение подается на базу транзистора, что порождает на его коллекторе отрицательный импульс, передаваемый следующему декатрону.
Н. — Но эта система мне нравится больше твоих декад. Она значительно проще, и в ней используется только одна лампа.
