Деление на 2
Н. — Вот о чем я сейчас подумал: если потребовалось бы разделить частоту на 2, работа была выполнена бы почти безукоризненно, так как мультивибратор срабатывал бы от каждого поступающего на вход импульса.
Л. — Ты совершенно прав, Незнайкин. Но сейчас я расскажу тебе о совершенно безупречном способе деления на 2, который
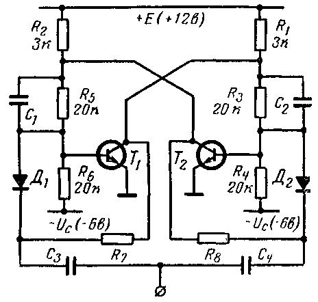
Рис. 82. Схема триггера Экклеса-Джодана, диоды пропускают синхронизирующий импульс на тот из транзисторов, который находится в
состоянии насыщения.
никак не зависит от частоты. Я познакомлю тебя с новым устройством — с триггером с двумя устойчивыми состояниями, носящим название триггера Экклеса-Джордана. Вот тебе схема этого устройства (рис. 82).
Н. — Ой, ой! Какая она сложная!
Л. —Может быть и сложная, но разобраться в ней совсем нетрудно. Здесь ты увидишь некоторую аналогию с мультивибратором (см. рис. 78). Когда один из транзисторов пропускает ток, он напряжением своего коллектора воздействует на базу другого транзистора. В отличие от мультивибратора здесь мы имеем прямую связь между каждым коллектором и базой противоположного транзистора. Так, например, если ток пропускает транзистор Т1 (если возможно в состоянии насыщения), потенциал его коллектора очень низкий. С помощью делителя напряжения R3 — R4 он придает потенциалу базы Т2 небольшую отрицательную величину, что надежно запирает транзистор Т2. Но когда запертым оказывается транзистор Т1 потенциал его коллектора близок к Е и делитель из резисторов R3 — R4 будет стремиться создать на базе Т2 положительное напряжение. Как только база станет положительной, ток базы подрежет сверху напряжение, подводимое к ней через резисторы R3 и R1.
Н. — Уф, хоть я и очень внимательно следил за твоим рассказом, числовой пример принес бы мне немалую Пользу.
Режимы работы триггера Экклеса-Джордана
Л. — Согласен, я полагаю, что ты будешь доволен, если посмотришь на рис. 82; там в скобках я указал напряжение питания Е, равное 12 в, напряжение смещения — Uc (в нашем случае — 6 в), а также номиналы резисторов. Предположим, что ток пропускает транзистор T1находящийся в состоянии насыщения. Отсюда следует, что потенциал его коллектора упал почти до нуля, а ток коллектора близок к 4 ма, потому что питание на этот коллектор подается от источника с напряжением 12 в через резистор R1 с сопротивлением 3 ком. Два равные по сопротивлению резистора R3 и R4 создадут на базе Т2 потенциал, близкий к —3 в, т. е. транзистор Т2 надежно заперт.
А теперь предположим, что заперт Транзистор Т1. Тогда потенциал его коллектора близок к 12 в, делитель из резисторов R3 — R4 стремится повысить потенциал базы транзистора Т2 до 3 в. Само собой разумеется, что напряжение на этой базе достигнет лишь 0, 3 в (обычное значение напряжения база-коллектор в нормально проводящем германиевом триоде). В этих условиях легко рассчитать, какой ток поступает на эту базу через резисторы R1 и R3 общим сопротивлением 23 ком; ток имеет величину: 12 в : 23 000 ом = 0, 00052 а или 0, 52 ма. В то же время через резистор течет ток, равный 6 в: 20 000 ом = 0, 0003 а или 0, 3 ма. База же получает разность этих токов или 0, 52 ма — 0, 3 ма — 0, 22 ма. Если коэффициент усиления транзистора по току превышает 20, можно с уверенностью сказать, что мы довели транзистор до состояния насыщения, ибо максимальный ток его коллектора равен 4 ма.
Н. — Хорошо, теперь я действительно вижу, что когда один из транзисторов твоей схемы пропускает ток, он запирает другой и, наоборот, запертый транзистор приводит другой в состояние насыщения. Но как узнать, какой из транзисторов будет заперт и какой будет находиться в состоянии насыщения?
Л. — А на этот вопрос, дорогой Незнайкин, я не могу ответить с желаемой тобой определенностью. Возможно, что запертым будет транзистор Т1, а Т2 будет в состоянии насыщения, но одинаково возможен и случай, что в состоянии насыщения окажется Т1, а Т2 будет заперт.
Н. — Значит, твоя схема сама не знает, чего она хочет!
Л. — Не вдаваясь в вопросы психологического анализа, я просто скажу тебе, что рассматриваемая схема имеет два устойчивых состояния или, как говорят, она бистабильна. Тебе уж доводилось встречаться с такими схемами и, в частности, с триггером Шмитта (см. рис. 61), у которого напряжение базы транзистора Т1 находилось между двумя порогами.
Н. — Так, значит, эта схема может некоторое время провести с запертым Т1 и насыщенным Т2 и наоборот.
Л. — Согласен с тобой, но с одной оговоркой — я не стал бы говорить «некоторое время». Оказавшись в каком-то определенном положении, схема (рис. 82) может бесконечно долго оставаться в этом положении, пока мы не изменим ее состояния.
