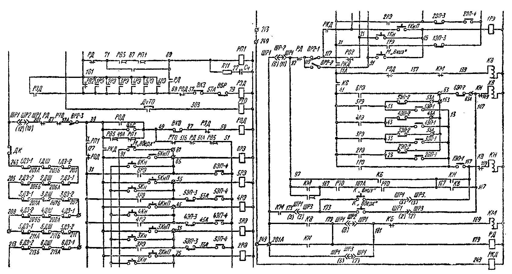
контактор КН. Вызов порожней кабины на любой этаж осуществляется с помощью кнопок Кн, установленных на всех остановочных площадках. Пассажир, находящейся на остановке, например третьего этажа, нажимает на кнопку вызова Кн. При этом этажное реле ЗРЭ получает питание по цепи: зажим 101, блокировочные контакты шахтных дверей, замыкающий контакт реле РКД, размыкающий контакт ВШИ (171—161), контакты блокировочных и предохранительных устройств, зажим 201, штепсельный разъем ШР1—ШР2 (201—03), замкнутый размыкающий контакт реле РД, контакт выключателя ВР2-2, замкнутый размыкающий контакт реле РНК (15—35), контакт ВБП2, размыкающий контакт реле РВ2, кнопка вызова ЗКн. В дальнейшем работа схемы аналогична рассмотренной выше. По прибытии кабины на остановочную площадку отправление ее по другому вызову возможно лишь после исчерпания выдержки времени реле РВ2 (3 с), после чего замыкается его контакт в цепи вызывных кнопок.
При управлении из машинного помещения переключатель режимов работы ВР2 установлен в положение «Управление из машинного помещения». В этом случае управление из кабины и с остановочных площадок отключено, а катушка электромагнитной отводки включена постоянно. В этом режиме движение кабины осуществляется только па крайние остановки. Пуск лифта осуществляется нажатием на кнопки М «Вверх» и М «Вниз». Для остановки кабины в любом месте шахты предусмотрена кнопка М «Стон».
При управлении в режиме «Ревизия» управление производится с крыши кабины с помощью поста управления. Исходное положение: вставка ШР2 заменяется вставкой ШРЗ. При этом катушка электромагнита отеодки и цепь кнопки К «Вниз» включены постоянно. Управление из кабины, вызов кабины на этаж и управление из машинного помещения отключаются. Движение кабины начинается при нажатии на кнопку К «Вниз», при этом включается контактор КН через блокировочные выключатели, кнопку К «Вниз», I контакт этажного переключателя, блок-контакт размыкающего контакта контактора КВ и катушку контактора КН зажим 102. Через замкнувшийся замыкающий блок-контакт контактора КН включается реле РД, тормоз 1 растормаживается и кабина движется вниз. Остановка кабины в любом месте шахты происходит после прекращения воздействия па кнопку КН. «Вниз».
Схемой предусмотрена световая сигнализация о том, что кабина занята, для чего па всех остановочных площадках в кнопочном аппарате вызывном, а также на панели в машинном помещении предусмотрена сигнальная лампа «Занято». Лампа «Занято» включается во время движения кабины в случае, если пассажир находится в кабине, а также при открытых дверях шахты, в режиме «Управление из машинного помещения» и в режиме «Ревизия».
Схемой предусмотрена и звуковая сиг
нализация для вызова обслуживающего персонала в случае неисправности лифта. В помещении дежурного установлен звонок ЗвВП.
Для лифтов, высота подъема которых превышает 25 м, предусмотрена телефонная связь между машинным помещением, кабиной и нижней площадкой для пользования в период наладки или ревизии.
Автоматическое отключение приводного электродвигателя, сопровождаемое наложением тормоза, происходит в следующих случаях:
При аварийном отключении приводного электродвигателя движение может быть восстановлено только после устранения неисправностей техническим персоналом..
Дистанционное отключение приводного электродвигателя, сопровождаемое наложением механического тормоза и остановкой лифта, происходит при нажатии кнопки К «Стоп». При этом движение может быть восстановлено от нажатия любой из кнопок приказа.
После окончания рабочего дня или для проведения профилактических работ отключение лифта осуществляется автоматическим выключателем ВА1 и вводным устройством ВУ. При проведении ремонтных работ в приямке отключение лифта производится выключателем В2.
Назначение контактов.
Контакты РНК (171—259) (15—35) осуществляют электрический контроль загрузки кабины, если но каким-либо причинам пассажир, не покидая кабины, освободил пол. Размыкающий контакт реле РД (03—05) исключают возможность изменения приказа или вызова при движении кабины.
Размыкающий контакт реле РД (СЗ-127) осуществляет после отключения электродвигателя от сети разрыв контура: обмотка электродвигателя — обмотка тормозного магнита, обеспечивая ускоренное наложение тормоза.
Размыкающий блок-контакт контактора КН (17—19) и размыкающий блок-контакт контактора КВ (27—29) исключают возможность одновременного включения контакторов КВ и КН.
Размыкающий контакт реле РПК (65—85) исключает возможность управления из машинного помещения при нахождении пассажира в кабине.
Размыкающий контакт реле РВ2 (55—75) в цепи вызывных кнопок, замыкаясь спустя 3 с после окончания движения, исключает на что время возможность ухода порожней кабины по другому вызову.
Контакт ВБП1 (161 — 171) исключает возможность движения кабины с пассажиром при открытых дверях кабины.
Схема грузового лифта с двухскоростным двигателем и внутренним кнопочным управлением
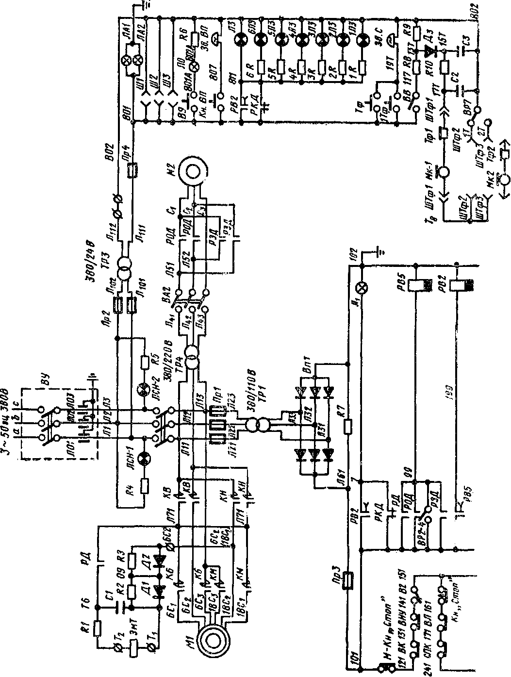
Для повышения точности остановки грузовые лифты снабжают приводом от двух-скоростного двигателя. Ниже рассматривается электрическая схема грузового лифта грузоподъемностью 2000 кгс с номинальной скоростью 0, 5 м/с (рис. 14. 74). У двухскоростного приводного двигателя АД большая скорость в 4 раза больше, чем малая скорость. Направление вращения двигателя изменяют контакторами В и Н, а величину скорости — контакторами Б (большая скорость) и М (малая скорость). Напряжение сети подводят к лифту вводным устройством ВУ, состоящим из рубильника и фильтра, снижающего уровень радиопомех, поступающих в сеть от электрооборудования лифта. Аппаратуру управления питают напряжением 110 В постоянного тока от понижающего трехфазного трансформатора ТПВ и селенового выпрямителя ВС, собранного по трехфазной мостовой схеме. Цепи сигнализации, аварийного освещения и двух индуктивных датчиков (ДТО и ДИК) питают переменным током напряжением 24 В от понижающего трансформатора ТС.
Схема предусматривает три вида управления лифтом:
внутреннее кнопочное управление из кабины, соответствующее нормальной работе лифта;
управление с крыши кабины при ее движении с малой скоростью, необходимое для ревизии оборудования, расположенного в шахте;
управление из машинного помещения, необходимое для наладки работы лифта.
На управление с крыши кабины в режиме ревизии лифт переводят с помощью двух штепсельных разъемов ШРИ и ШРР. Если штепсельный разъем ШРН вставлен, а разъем ШРР вместе с кнопками «Подъем» н «Спуск» удален, то лифт может работать по нормальной схеме. Если же штепсельный разъем ШРИ удален, а разъем ШРР вставлен, то лифт готов для управления в режиме ревизии.
Рассматриваемая схема предназначена для управления лифтом, работающим с четырьмя остановками для положения кабины на первом этаже. Лифт пускают в ход кнопками приказа 1КП, 2КП, ЗКП и 4КП, расположенными в кабине. Посланные приказы регистрируются этажными реле ЭР,
2ЭР, 3ЭР и 4ЭР. Этажное реле соответствующего этажа остается включенным до полной остановки кабины на атом этаже.
Выбор направления движения кабины и импульс на перевод работы двигателя с большой скорости на малую производятся контактами копираппарата. Здесь применен центральный копираппарат шагового действия, состоящий из катушек КАВ (катушка копираппарата «Вверх») и КАН (катушка копираппарата «Вниз»), четырех (по количеству остановок лифта) блок-контактов (1КА, 2КА, ЗКА и 4КА) и механизма переключения контактов.
Каждый блок контактов включает три контакта, обозначенных цифрами I, II, III. Механизм переключения контактов копираппарата сделан так, что при импульсном (т. е. на некоторое время) подводе напряжения к катушке КАВ ротор копираппарата поворачивается на некоторый угол «Вперед» (делает один шаг вперед), переключая контакты, а при импульсном подводе напряжения к катушке КАН ротор копираппарата делает один шаг «Назад», также переключая контакты.
Копираппаратом управляют с помощью индуктивного датчика ДИК (импульсного датчика копираппарата), установленного на кабине, импульсного реле копираппарата РНК и реле продолжительности импульсов РПИ. Магнитная цепь датчика ДИК замыкается стальными полосами (магнитными шунтами), расположенными в шахте (табл. 14. 37).
Магнитный шунт 1ВШ (верхний шунт первого этажа) расположен несколько выше уровня первого этажа на расстоянии, которое кабина должна проходить на малой скорости при подходе к первому этажу. На промежуточных этажах установлено два магнитных шунта (верхний и нижний). При проходе кабины мимо магнитного шунта замыкается магнитная цепь датчика ДИК, его индуктивное сопротивление возрастает и реле РНК отключается, а при уходе кабины реле РНК снова включается. Следовательно, при проходе кабиной места установки магнитного шунта реле РИК на некоторое время отключается.
Импульсное отключение реле РНК приводит к импульсному включению катушек КЛБ или КАН копираппарата. Если кабина движется вверх, то включено реле управления РУВ «Верх» и при импульсном включении реле РНК на время импульса включается катушка КАВ, а если кабина идет вниз, то через замкнутый контакт реле РУН на время импульса включается катушка КАН. При импульсном выключении реле РИК также выключается реле продолжительности импульса РПИ. Благодаря параллельному включению с катушкой реле РПИ конденсатора Е это реле отключается с выдержкой времени. Так как его замыкающий контакт находится в цепи катушек КАВ и КАН, то время их включения равно не времени прохождения датчика ДИК мимо магнитного шунта, а времени отключения реле продолжительности импульса РПИ.
Таким образом, положение ротора копираппарата в точности отражает характерные
Рисунок 14.74. Принципиальная электрическая схема грузового лифта с двухскоростным двигателем и внутренним кнопочным управлением
Таблица 14.37 Расположение магнитных шунтов
положения кабины в шахте. Так как каждому положению ротора копираппарата соответствует определенное положение контактов копираппарата, состояние этих контактов отражает положение кабины в шахте. На диаграмме состояния контактов копираппарата в зависимости от положения кабины в шахте (табл. 14. 37) знаком «X» показано замкнутое состояние контактов; отсутствие какого-либо знака в соответствующей графе показывает, что этот контакт в рассматриваемой схеме не используют.
Кабина на заданном этапе останавливается с помощью индуктивного датчика ДТО (датчика точной остановки), укрепленного на кабине. Магнитные шунты этого датчика установлены на уровне каждого этажа. Длина магнитных шунтов датчика точной остановки, установленных на крайних этажах, равна пути торможения кабины механическим тормозом, а длина шунтов, расположенных на промежуточных этажах, равна удвоенному пути торможения кабины механическим тормозом.
Когда кабина находится между этажами, реле РТО (реле точной остановки) включено. При подходе кабины к уровню любого этажа датчик ДТО проходит мимо магнитного шунта, вследствие чего индуктивное сопротивление датчика возрастает и реле РТО отключается. Если кабина движется с малой скоростью, отключение реле РТО приводит к остановке кабины на заданном этаже. Если же кабина движется с большой скоростью, отключение реле РТО на некоторое время при прохождении кабины промежуточного этажа не приводит пи к каким последствиям.
В лифте, электрическая схема которого рассматривается, установлены замки шахтных дверей с подвижной электромагнитной отводкой, что устраняет удары отводки по ролику шахтных дверей при прохождении кабины этажных площадок. Электромагнит подвижной отводки МО включается и убирает отводку замка шахтных дверей при включении контактора большой скорости В. Поэтому все шахтные двери заперты при движении кабины, а при остановке кабины на каком-либо этаже замок шахтной
двери этого этажа отпирается и дверь может быть открыта или из кабины или снаружи.
В цепь защиты лифта включены следующие контакты: контакт выключателя приямка ВП, отключающий цепи управления при работе в приямке; размыкающий контакт кнопки «Стоп», расположенной в кабине; размыкающий контакт ловителя KЛ, отключающийся при срабатывании ловителя; контакты двух дверей кабины ДК-1 и ДК-2, замкнутые при закрытых дверях; контакт слабины подъемных канатов СПК, размыкающийся при ослаблении натяжения или обрыве одного или нескольких канатов; контакт концевого выключателя ВК, размыкающийся при подъеме или спуске кабины за установленные пределы; размыкающий контакт кнопки «Стоп М» для экстренной остановки лифта из машинного помещения и, наконец, два замыкающих контакта реле контроля закрытия шахтных дверей РКД (постановка двух контактов увеличивает надежность контроля). При размыкании любого из перечисленных контактов происходит аварийная остановка лифта и он не может быть пущен в ход, пока контакт не будет восстановлен (замкнут).
В цепь реле РКД включены контакты шахтных дверей 1ДШ, 2ДШ, ЗДШ и 4ДШ, которые замкнуты при закрытых дверях. Контакты замков шахтных дверей 1ДЗ, 2ДЗ, ЗДЗ и 4ДЗ включены в цепь реле контроля запора замков РКЗ, которое включается при запирании всех замков шахтных дверей лифта. Для отключения лифта с площадки первого этажа при выполнении ремонтных работ служит выключатель ПР с контактами ПР-1 и ПР-2. Чтобы подготовить лифт к работе, необходимо включить рубильник вводного устройства ВУ, включить на панели управления автоматический выключатель А и повернуть выключатель ПР в положение «Включено».
Ниже рассмотрена работа элементов схемы при управлении лифтом, когда проводник находится в кабине. При неподвижной кабине, закрытых дверях и исправных блокировочных и предохранительных устройствах все реле и контакторы отключены, за исключением трех — реле РКД, РИК и
РПИ. Если кабина находится на первом этаже и ее требуется отправить на четвертый этаж, то проводник нажимает на кнопку приказа 4КП. Этот приказ регистрируется включением этажного реле 4ЭР, которое остается включенным до подхода кабины к уровню четвертого этажа.
Замыкающий контакт 4ЭР включает промежуточное реле большой скорости РБ, которое в свою очередь включает контактор большой скорости В. Замкнувшийся контакт контактора Б включает электромагнит МО отводки замков шахтных дверей, вследствие чего освобождается от упора ригель замка шахтной двери первого этажа, замыкается контакт 1ДЗ и включается реле РКЗ, после чего последовательно включаются реле управления «Вверх» РУВ, реверсирующий котактор В приводного двигателя и промежуточное реле РП. Статорная обмотка большой скорости двигателя АД и тормозной электромагнит ТМ подключается к сети, и кабина начинает подниматься.
Включение промежуточного реле РП приводит к размыканию его контакта в цепи кнопок приказа, благодаря чему невозможно регистрировать еще один приказ.
При прохождении кабины с индуктивным датчиком ДИК мимо магнитных шунтов происходит шаговое вращение ротора копираппарата описанным выше образом. При подходе индуктивного датчика импульсов копираппарата ДИК к магнитному шунту, установленному на подходе к четвертому этажу (к шунту 4НШ), реле РИК отключается. Это приводит к включению катушки КАВ копираппарата и обесточиванию реле РПИ. По окончании выдержки временя реле РПИ цепь катушки КАВ разрывается и ротор копираппарата становится в положение, при котором контакт копираппарата 4КЛ-Н разомкнут. После прохода датчика ДИК мимо последнего магнитного шунта реле РИК и, следовательно, реле РПИ включается. Схема импульсного управления копираппарата готова к последующей работе.
Размыкание контакта копираппарата 4KA-II ведет к отключению этажного реле 4ЭР и реле РБ, а затем и контактора Б. Отключение контактора Б приводит к включению контактора малой скорости М и разрыву цепи промежуточного реле РП, имеющего выдержку времени на отключение. Это реле необходимо для того, чтобы после отключения реле РБ, когда еще не включился контактор М, не отключились реле РУВ (или РУН в случае движения кабины вниз). Цепь питания реле РУВ во время указанного переключения контактов поддерживается через замыкающий контакт реле РП.
В результате включения контактора М, когда кабина движется с большой скоростью, происходит интенсивное торможение при работе двигателя АД в режиме генераторного торможения и скорость кабины уменьшается до малой скорости. На этой скорости кабина подходит к уровню четвертого этажа, магнитная цепь датчика точной остановки ДТО замыкается шунтом, реле РТО отключается и последовательно
отключаются реле РУВ и контактор В. Двигатель АД и тормозной электромагнит ТМ обесточиваются, и кабина останавливается.
Еще во время перехода движения кабины с большой на малую скорость при отключении контактора Б обесточивается электромагнит магнитной отводки М. На остановке отводка отпирает замок шахтной двери четвертого этажа, размыкается контакт 4ДЗ и отключается реле РКЗ. Дверь шахты четвертого этажа может быть теперь открыта. Для спуска кабины на любой этаж на пульте лифтера (проводника) в кабине нажимается соответствующая кнопка приказа.
Кабину вызывают па этажи с помощью звуковой сигнализации и указателя номера вызывающего этажа. Система сигнализации для вызова кабины состоит из вызывных кнопок 1KB, 2KB, ЗКВ и 4KB, расположенных на соответствующем этаже, звонка вызова ЗВ и блинкера сигнального вызова с катушками 1СВ, 2СВ, ЗСВ и 4СВ, установленных в кабине. При нажатии на кнопку вызова включается звонок и выпадает сигнальный блинкер с номером этажа, на котором была нажата кнопка вызова. После отпускания кнопки сигнальный блинкер остается выпавшим; для его возврата в исходное положение нажимается штифт на кнопочной панели.
Аварийное отключение лифта происходит при выключении автомата А в результате срабатывания максимальной защиты или при его ручном отключении; при размыкании любого контакта, установленного в цепи защиты лифта; при исчезновении напряжения в сети. В том случае, если при движении кабины с большой скоростью исчезнет напряжение только в цепи сигнализации (получаемое от трансформатора ТС), будут одновременно отключены реле РТО и РИК, в результате чего последовательно отключатся реле РПИ, РБ и контактор Б, движение лифта с большой скорости перейдет на малую и кабина остановится на ближайшем этаже.
Лифтом управляют с крыши кабины в режиме «Ревизия» в следующем порядке:
вынимают штепсельный разъем ШРН и тем самым исключают возможность включения лифта из кабины;
вставляют штепсельный разъем ШРР с кнопками «Подъем» и «Спуск» и им же включают электромагнит магнитной отводки МО, делая невозможным открытие всех шахтных дверей в любом положении кабины;
для движения кабины вверх нажимают на кнопку «Подъем». При этом включается контактор В, а затем контактор М и кабина движется на малой скорости; после отпускания этой кнопки кабина останавливается.
Аналогично управляют лифтом для движения кабины вниз, но с помощью кнопки «Спуск».
Из машинного помещения при наладке, лифта им управляют с помощью кнопок «Подъем-М», «Спуск-M» и «Стоп-М». При этом виде управления штепсельный разъем ШРН вставлен, штепсельный разъем ШРР удален, а выключатель отводки ВО замкнут и, следовательно, все шахтные двери заперты. При управлении из машинного помещения нажатием кнопки «Подъем-М» кабина может быть поднята до любого уровня и остановлена нажатием кнопки «Стоп-М». С помощью кнопок «Спуск-М» и «Стоп-М» можно опустить кабину до любого уровня. Автоматически кабина останавливается только на крайних этажах.
Кабину освещают лампой ОК. (основное освещение) и лампой АО (аварийное освещение). Кроме того, для включения аварийного освещения в кабине установлена штепсельная розетка ШРК, а в машинном помещении — розетка ШРМ.
Схемой предусмотрена звуковая сигнализация вызова обслуживающего персонала. С этой целыо в кабине установлена кнопка КВП, при нажатии на которую включается звонок ЗВП, установленный в месте пребывания дежурного.
После окончания работы проводник выключает лифт, поворачивая переключатель ПР в положение «Отключено».
Схема пассажирского лифта с автоматическим приводом дверей и вызовом кабины на любую этажную площадку
Типовая электрическая схема (рис. 14. 75) предназначена для пассажирских лифтов грузоподъемностью 320 кг со скоростью кабины 0, 71 м/с. Управление лифтом производится кнопками приказа, расположенными в кнопочной панели в кабине, или кнопками вызова, расположенными в вызывных аппаратах на этажах. Предположим, что пустая кабина находится на первом этаже. Двери шахты и кабины закрыты, реле РКД включено, все предохранительные устройства в исправности. Для открывания дверей пассажир нажимает на кнопку вызова 1КН.
По цепи 201А вставка штепсельного разъема нормальной работы ШР2 (201 А — 97). размыкающий контакт реле РД (97—119). размыкающий контакт переключателя ВР2-1 (119—117), размыкающий контакт реле РВ2(117—21), кнопку вызова 1KH (21—15)., замкнутый контакт 1ЭП-3 (15—51), размыкающий контакт реле РВ5 (51—51 А), размыкающий контакт реле РД (51А—51 Б), размыкающий контакт реле РТО (515—49). размыкающий контакт выключателя ВКО (49—27), размыкающий контакт реле РЗД (27—59) полается питание на реле открытия дверей РОД. С включением реле РОД замыкаются его контакты в цепях собственной катушки (39—49) и реле РВ5 (101—99). после чего питание реле РОД поддерживается по цепи: 241, вставка штепсельного разъема нормальной работы ШР2 (241—201), размыкающий контакт реле РД (201—37), размыкающий контакт реле РТО (37—37А), размыкающий контакт переключателя ВР2-3 (37А—39), замкнутый замыкающий контакт реле РОД, размыкающий контакт выключателя ВКО, размыкающий контакт реле РЗД.
Своими контактами (ЛK-C1, Л52-С2) реле РОД подключает к сети электродвига
тель привода дверей М2. Катушка реле РОД и приводной электродвигатель М2 обесточиваются после срабатывания конечного выключателя ВКО при полном открытии дверей.
После открытия дверей разомкнутый размыкающий контакт реле РВЗ, в цепи катушки реле РЗД, исключает возможность автоматического закрытия дверей в течение 7 с, а размыкающий контакт реле РВ2, в цепи кнопок вызова, за счет повторною включения последнего исключает возможность вызова кабины в течение 14 с. Пассажир входит в кабину.
Для отправления кабины па этаж, например третий, пассажир нажимает на кнопку приказа ЗКнП. По цепи: 211, ШР2 (241—201) размыкающий контакт реле РД (201—37), размыкающий контакт реле РТО (37—37 А), размыкающий контакт переключателя ВР2-3 (37А—39), размыкающий контакт реле РКД (39—11), кнопку приказа ЗКнП подается питание на катушку реле ЗРЭ, которое замыкает свои замыкающие контакты в цепях (31—Я5) катушки реле ЗРЭ, обеспечивая самоподхват реле (41—33) в цепи контактов этажных переключателей и катушек контакторов направления, подготавливая включение последних (101—69), в цени катушки реле РЗД, обеспечивая включение привода дверей на закрытие.
Питание реле РЗД обеспечивается по пени 101, замкнутый замыкающий контакт реле ЗРЭ (101—69), размыкающий контакт реле РОД, размыкающий контакт выключателя ВКЗ, замыкающий контакт микропереключателя ВБР.
Реле РЗД своими замыкающими контактами (Л 52—С1: Л51—С2) подключает к сети электродвигатель привода дверей М2; замыкающим контактом (71—89) включает реле РП1, обеспечивая его питание по цепи 101, размыкающий контакт реле РД, замкнутый замыкающий контакт реле РЗД, катушка реле PП1; замыкающим контактом (101—99) включает реле PВ5. Включившееся реле РП 1 своими замыкающими контактами обеспечивает:
(39—127) —питание реле ЗРЭ контакторов КБ, KB (КН) до начала движения;
(97—187)—непрерывность питания контакторов направления KB пли KIT в момент отключения обмотки большой скорости и подключения к сети обмотки малой скорости приводного двигателя M1.
Отключение двигателя привода дверей М2 и реле РЗД осуществляется конечным выключателем ВКЗ. С полным закрытием дверей включается реле РКД. Реле РКД замыкает замыкающий контакт 31—31А и подает питание па катушку контактора КБ по цепи: 241, ШР2, размыкающий контакт реле РД, размыкающий контакт реле РТО, размыкающий контакт переключателя ВР2. Ч, замкнутый замыкающий контакт реле РП1 (39-127), размыкающий контакт реле РОД, замкнутый контакт реле РКД, размыкающий контакт реле РОД (31А—137), размыкающий блок-контакт контактора КМ.
Рисунок 14. 75. Схема пассажирского лифта с автоматическим приводом дверей и вызовом кабины на любую этажную площадку
