Электроннолучевая трубка с ламинарным лучом
Л. — О, далеко нет! Сейчас я, не вдаваясь в подробности, так как это увело бы нас слишком далеко, кратко расскажу еще о нескольких устройствах. Прежде всего следует сказать об электроннолучевой трубке с ламинарным (слоистым) лучом. Это электроннолучевая трубка особой конструкции, в которой подвергающийся воздействию отклоняющих пластин электронный луч попадает на экран, позволяющий определить место попадания луча. Этот луч проходит через маску с отверстиями (рис. 122) таким образом, что ток луча изменяется в зависимо
Рис. 122. В электроннолучевой трубке с ламинарным лучом электронный луч по пути к аноду проходит через — маску с отверстиями. Анод соединен с отклоняющей пластиной, что придает характеристике анодного тока в зависимости от анодного напряжения форму ломаной линии, что при питании анода через соответствующий резистор позволяет получить для электронного луча десять устойчивых положений. Воздействуя на другую отклоняющую пластину сигналами с крутым фронтом и пологим срезом, можно заставить луч переходить с одного устойчивого положения на следующее.
сти от положения луча по довольно сложному закону, позволяющему с помощью простого резистора, включенного последовательно с анодом, получить 10 устойчивых положений для луча. При подаче импульсов с крутым фронтом и пологим срезом луч перескакивает с одного положения на следующее. Когда луч перескакивает в десятое устойчивое положение, часть его электронов попадает на небольшой вспомогательный электрод, который подает импульс на следующую счетную трубку и возвращает луч первой счетной трубки на нуль. Эта система без особых трудностей может работать на частотах до 30 кгц. С помощью специальных схем удается повысить рабочую частоту трубки до 1 Мгц. Эти трубки невелики по размерам. Наиболее распространенная трубка такого типа EIT имеет диаметр 35 мм и высоту 65 мм. Такие трубки дают интересные и экономичные решения, но я должен признать, что используются они все меньше и меньше.
Н. — Досадно. Ведь это чисто электронное устройство элегантнее систем с ионизированным газом.
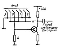
Л. — Имеются также очень интересные газоразрядные лампы, в частности тиратроны с холодным катодом. Это небольшие неоновые лампы, снабженные специальным поджигающим электродом (рис. 123). На этих лампах Можно собрать схемы с десятью состояниями равновесия (на каждую такую схему требуется 10 ламп). Одно из ценных качеств этих схем заключается в том, что они сами показывают свое состояние: одна из десяти ламп находится в ионизированном состоянии и светится красным цветом. Эта система позволяет считать импульсы с частотой не выше нескольких килогерц, но она отличается простотой и используется в некоторых типах радиоэлектронной аппаратуры промышленного назначения.
Я назову тебе также трохотрон, в котором используется магнитное поле, создаваемое магнитом, расположенным вокруг
Рис. 123. В тиратроне с холодным катодом имеется электрод поджига (пусковой электрод); подача на этот электрод очень небольшого тока может вызвать появление разряда между ка годом и анодом.
самой трубки. Это довольно сложное для описания устройство способно работать на частотах до 1 Мгц.
Из всего рассказанного я советую тебе получше запомнить, что при создании счетных устройств специалисты все больше ориентируются на использование счетных декад на транзисторах с индикацией результата с помощью газоразрядных цифровых индикатооных ламп.
